首页
班贝格
新闻
产品
案例
联系
招贤纳才
ukbenberg@163.com
电能质量领域
BGYX系列滤波补偿模块
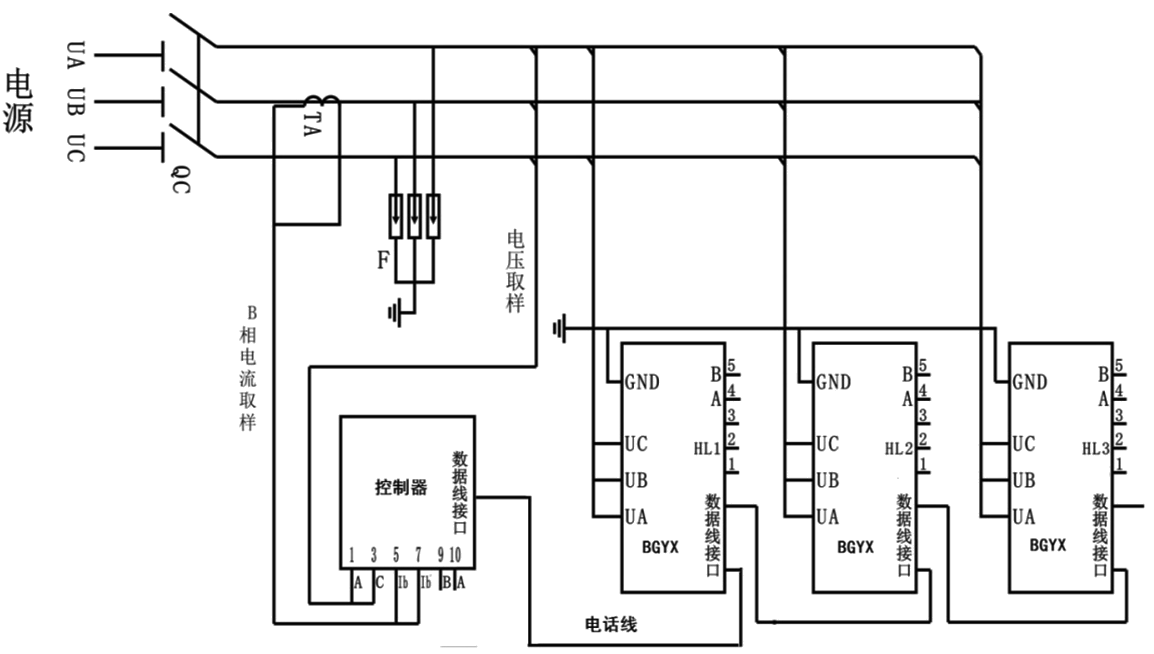
BGYX系列抑制谐波型智能电力电容器是0.4kV低压电网高效节能、降低线损、提高功率因数和电能质量,替代传统无功补偿装置的新一代无功补偿设备。它由智能测控单元、过零投切开关电路、保护单元、滤波电容器、滤波电抗器构成。改变了传统无功补偿装置体积庞大和笨重的结构模式,是低压无功自动补偿滤波技术的重大突破。主要应用于谐波较轻的场合下进行无功补偿,能够可靠运行,不会产生谐振,对谐波无放大作用,并在一定程度上有吸收消除谐波的功能。
产品概述
技术特点
技术参数
上一篇:
BGS系列可控硅投切开关
下一篇:
M16扩展模块